evoc > Resteverwertung mit Eton und Mivoc
23.04.2013
> Irgendwie sammeln sich so Chassis an, die es auch mal verdient haben, in ein Gehäuse gebaut zu werden... wenn sie denn zueinander passen. Bei mir lungern im Schrank genau solche rum:
2 Mivoc WPP180 und 2 Eton 25DT190C (unbenutzt, in originaler Verpackung), daher auch der Name... ;-)
Der Plan für das Gehäuse steht auch schon... der Mivoc fühlt sich in kompakten 18l recht wohl und spielt dort locker bis unter 50Hz.![]()
![]()
11.06.2013
> Nach längerer Pause geht es endlich weiter. Ich möchte natürlich später sichtbare Stöße vermeiden und an den Kanten Radien anbringen. Die sollen aber nicht ganze 18mm groß werden. Deshalb habe ich die Platten abgesetzt und genau so viel Kante stehen lassen, dass mein 9mm Radienfräser sauber bis zur Leimfuge abrunden kann. Erst wollte ich die Absätze fräsen, aber mit der Tischkreissäge geht das auch sehr gut.![]()
![]()
15.06.2013
> Die Gehäuse sind im Rohbau fast fertig. Ein Versteifungsbrett habe ich den Seitenwänden gegönnt.![]()
26.06.2013
> So, alles geschliffen, Radien sind gefräst, die Senkungen und Ausschnitte für die Chassis auch.
Jetzt geht es an die Weichen.![]()
09.04.2014
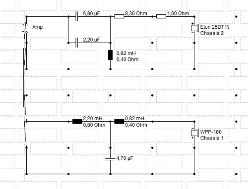
> Haus verkaufen, neues Haus kaufen, Umzug usw.... da geht Zeit drauf. Deshalb geht es erst jetzt weiter. Serienweiche wollte ich erst realisieren, aber es ist dann doch eine konventionelle Parallelweiche geworden. Das hört sich jetzt auch schon ausgesprochen gut an. Ich grabe mich jetzt damit durch diverse CD`s und suche nach Fehlern. Den Hochtöner musste ich nach dem ersten Test ganz leicht einbremsen... deshalb noch der 1 Ohm Widerstand...![]()
Die Focale wurden mal kurz zu Lautsprecherständern degradiert... nach weiteren Tests ist der Hochtöner noch weiter abgesenkt worden. Mit zusammen 11 Ohm passt das jetzt ganz gut.
![]()
15.06.2014
> Ein Kollege hat sich die Lautsprecher eine Zeit geliehen, damit er im Wohnzimmer endlich Musik hören konnte. Tja, was soll ich sagen. Er wollte die gleich behalten. Nun mussten die aber doch noch zu mir, um die Gehäuse noch anzumalen. Projekt "evoc" ist somit abgeschlossen.![]()